변류기 CT
수지 주조 전기 Ct 전류 변압기
  • 수지 주조 전기 Ct 전류 변압기수지 주조 전기 Ct 전류 변압기
  • 수지 주조 전기 Ct 전류 변압기수지 주조 전기 Ct 전류 변압기

수지 주조 전기 Ct 전류 변압기

온주 XiFa 전력 설비 유한 회사는 10kv ~ 35kv 전기 개폐 장치를 채택하는 수지 주조 전기 ct 전류 변압기를 생산하는 전문 제조 업체입니다. Wenzhou XiFa에서는 생산팀이 진공 환경에서 에폭시 수지를 주조하여 변류기 측면의 기포를 제거하고 표면의 부분 방전을 방지합니다. 한편, 수지 주조 전기 CT 변류기는 내전압 및 장기 안정성에 대한 더 나은 성능을 달성하기 위해 다층 절연 구조로 설계되었습니다.

수지 주조 전기 CT 전류 변압기는 정격 주파수가 50Hz인 10kv 전압 레벨 전력 시스템용으로 설계된 실내 에폭시 수지, 진공 주조, 포스트 유형 장치입니다. 주로 전류 측정, 에너지 계측, 보호 계전기에 사용됩니다.

수지 주조 전기 CT 변류기는 코어가 고급 자성 재료로 만들어지고 코어와 함께 1차 및 2차 코일이 모두 수지에 내장되어 있는 완전 밀폐형 에폭시 수지 주조 공정을 채택합니다. 이 구조는 절연, 내습성 및 내오염성에 탁월한 성능을 제공합니다. 수지 주조 전기 CT 변류기의 표면에는 추가 코팅이 필요하지 않으며 변류기를 여러 위치에 설치할 수 있습니다.

범위에는 0.2S 및 0.5S와 같은 측정 등급과 10P10 및 10P20과 같은 보호 등급이 모두 포함됩니다. 수지 주조 전기 CT 변류기에는 다중 비율 설계를 사용할 수 있어 금속 클래드 전기 패널에 사용하기에 적합합니다.

Resin Cast Electrical Ct Current TransformerResin Cast Electrical Ct Current Transformer

기술 사양:

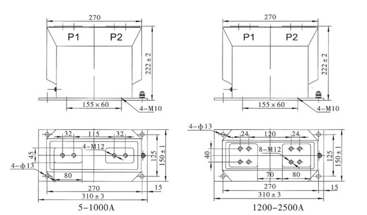
유형 1차 정격 전류(A) 정확도 등급 정확도 등급 및 정격 출력 cosΦ=0.8 쇼리 시간 열 전류(kA/S) 정격동전류(kA)
0.2(초) 0.5(초) 10P10 10P15 10P20
LZZBJ9-10 5-150 0.2초/0.5 0.2초/10P 0.2/10P 0.5초/10P 0.5/10P 10 10 15 15 10 100I1n 250I1n
200-300 31.5 80
400-500 45 112
600-1000 63 130
1200-1500 80 160
2000-2500 100 180

Resin Cast Electrical Ct Current Transformer

제품 FAQ:

Q: 수지 주조 전기 CT 변류기를 선택할 때 어떤 기술 매개변수를 확인해야 합니까?

A: 선택할 때 다음 주요 매개변수를 확인해야 합니다.

1. 정확도 등급: 계량/측정(예: 0.2s 또는 0.5) 및 보호 목적(예: 10P10, 5P10 등).

2.정격 1차 전류 및 2차 전류(변압비).

3. 단시간 열 전류(Ith) 및 단시간 전류 견딜 용량(고장 조건의 경우).

4. 절연 수준 (내전압, 임펄스 전압 정격 등).

5. 환경 허용 오차: 온도 범위, 고도, 습도, 오염 수준.

6.부담: 정확도를 저하시키지 않고 보조 장치가 구동해야 하는 VA 부하입니다.

Q: 수지 주조 전기 CT 변류기는 어떤 환경이나 응용 분야에 특히 적합합니까?

A: 다음 환경 또는 응용 분야는 수지 주조 전기 CT 전류 변압기에 적합합니다.

1. 공간이 제한적이고 절연이 중요한 실내 개폐 장치.

2. 개방된 부품이나 오일이 분해될 수 있는 가혹하거나 오염된 환경(먼지, 습기, 화학 물질).

3. 장기간에 걸쳐 안정적이고 정확한 측정이 필요한 계량 및 보호 회로에 사용됩니다.

4. 유지 보수가 적고 신뢰성이 중요한 응용 분야.

핫 태그: 수지 주조 전류 변압기 공급 업체, 전기 CT 변압기 제조업체, 맞춤형 CT 변압기 도매
문의 보내기
연락처 정보

최대한 빨리 견적을 받으려면

XiFa - 신뢰할 수 있는 전기 장비 공급업체
X
당사는 귀하에게 더 나은 탐색 경험을 제공하고, 사이트 트래픽을 분석하고, 콘텐츠를 개인화하기 위해 쿠키를 사용합니다. 이 사이트를 이용함으로써 귀하는 당사의 쿠키 사용에 동의하게 됩니다. 개인 정보 보호 정책
거부하다 수용하다