변류기 CT
상처 유형 5p10 5p20 Ct 100 150 400 5a
  • 상처 유형 5p10 5p20 Ct 100 150 400 5a상처 유형 5p10 5p20 Ct 100 150 400 5a

상처 유형 5p10 5p20 Ct 100 150 400 5a

고품질 전위 변압기 및 전류 변압기를 공급하기 위해 Wenzhou XiFa Electric Power Equipment Co., Ltd는 권선 유형 5p10 5p20 ct 100 150 400 5a를 생산 및 공급하는 등 고객에게 맞춤형 서비스를 지원합니다. WenZhou XiFa electric에서는 생산팀이 빠른 배송을 보장하기 위해 100/5a 10p10 0.5 전류 변압기와 같은 일반형 전류 변압기에 대한 재고를 유지합니다. 그러나 회사에서는 보호 등급이 5p10 또는 5p20인 공급 변류기 등 다양한 전력 수요를 충족시키기 위한 맞춤형 서비스를 지원합니다.

권선형 변류기는 10kv, 20kv 및 35kv와 같은 고압 전력 시스템에서 안정적인 전류 측정 및 보호를 위해 설계되었습니다. 100/5A, 150/5A 및 400/5A의 전류 비율과 5P10 및 5P20의 보호 정확도 등급으로 제공되는 이 권선 유형 5p10 5p20ct 100 150 400 5a는 측정, 계량 및 보호 계전기 애플리케이션 모두에 적합한 정밀한 2차 전류 출력을 제공합니다.

견고한 자기 코어와 2차 코일로 제작된 권선형 변류기는 단락 조건에서도 안정적인 성능을 보장하고 과도 현상 중에도 정확한 전류 변환을 제공합니다. 에폭시 또는 고급 수지를 종종 포함하는 견고한 절연 시스템은 안전성, 긴 서비스 수명, 습기 및 환경 스트레스에 대한 저항성을 보장합니다.

권선형 설계를 통해 스위치기어, 제어반 및 배전반에 유연하게 설치할 수 있어 계전기 보호 체계에 대한 안정적인 지원을 제공합니다. 권선형 변류기는 작동 모니터링과 보호 제어 모두에 정확하고 신뢰할 수 있는 전류 측정이 필수적인 산업 플랜트, 상업 시설 및 유틸리티 배전 네트워크에 이상적입니다.

Wound Type 5p10 5p20 Ct 100 150 400 5a

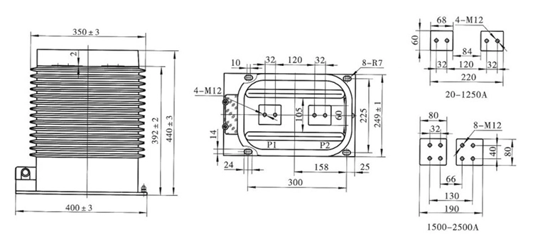
기술 사양:

유형 1차 정격 전류(A) 정확도 등급 정확도 등급 및 정격 출력 cosΦ=0.8 쇼리 시간 열 전류(kA/S) 정격동전류(kA)
0.2(초) 0.5(초) 10P10
LZZBJ9-35 20-100 0.2/0.2 0.2/0.5 0.2/5P20 0.5/5P20 0.2/0.5/5P 0.2/5P/5P 10 10 15 150I1n 375I1n
150-200 31.5 80
300-500 31.5/2 80
600-1250 15 30 20 31.5/4 80
1500-2000 20 40 30 40/4 125
2500 20 40 20 40/4 125


유형 1차 정격 전류(A) 정확도 등급 용량(VA) 쇼리 시간 열 전류(kA/S) 정격동전류(kA)
LZZBJ9-35 10 0.2/10P10 0.5/10P10 0.2/5P20 0.5/5P20 0.2/0.5/10P10 0.2/0.5/5P20 0.2/10P10/5P20 0.5/10P10/5P20 15/20 20/20 15/20 20/20 15/20/20 15/20/20 15/20/20 20/20/20 1.5/1 3.75
20 2/1 5
30 3/1 7.5
40 4/1 10
50 5/1 12.5
75 7.5/1 18.75
100 10/1 25
150 15/1 37.5
200 20/1 50
300 31.5/1 80
400 31.5/2 80
500 31.5/2 80
600 31.5/2 80
800 31.5/3 80
1000 31.5/3 80
1200 31.5/3 80
1500 31.5/3 80
2000 31.5/3 80

Wound Type 5p10 5p20 Ct 100 150 400 5a

제품 FAQ:

Q: 상처형 5p10 5p20ct 100 150 400 5a에서 “상처형 5P10” 또는 “5P20”은 무엇을 의미하나요?

A: "권선형"이라는 용어는 1차 도체가 코어를 통과하는 버스바 또는 바가 아닌 권선형 권선인 CT를 의미합니다. 클래스 5P10 또는 5P20은 보호 정확도를 나타냅니다. 5P는 정격 2차 전류에서 최대 5% 오류를 의미하며 숫자 10 또는 20은 지정된 오류를 초과하지 않고 정격 1차 전류의 최대 허용 단시간 배수를 의미합니다.

Q: 내 시스템에 맞는 올바른 CT 등급을 어떻게 선택합니까?

A: 시스템의 최대 부하 전류 및 보호 요구 사항에 따라 CT를 선택하십시오. 예를 들어, 100/5A CT는 약 100A의 일반적인 전류를 갖는 회로에 적합하고, 400/5A는 더 높은 전류 피더용으로 설계되었습니다. 계전기의 결함 감지 감도와 예상되는 단락 전류에 따라 보호 등급(5P10 또는 5P20)을 선택하십시오.

Q: 상처 유형 5p10 5p20 ct 100 150 400 5a는 어떤 환경 조건을 견딜 수 있습니까?

A: 이러한 권선형 변류기의 정격은 일반적으로 주변 온도 –10°C ~ +40°C, 최대 고도 1000m입니다. 하우징 재료 및 단열 시스템은 습기, 먼지 및 오염 방지 작동을 위해 설계되어 산업 및 유틸리티 환경에서 안정적인 보호 성능을 보장합니다.




핫 태그: 상처 유형 5p10 5p20 Ct 100 150 400 5a, 전류 변압기 공급 업체, 계량 변압기 도매
문의 보내기
연락처 정보

최대한 빨리 견적을 받으려면

XiFa - 신뢰할 수 있는 전기 장비 공급업체
X
당사는 귀하에게 더 나은 탐색 경험을 제공하고, 사이트 트래픽을 분석하고, 콘텐츠를 개인화하기 위해 쿠키를 사용합니다. 이 사이트를 이용함으로써 귀하는 당사의 쿠키 사용에 동의하게 됩니다. 개인 정보 보호 정책
거부하다 수용하다