변류기 CT
제로 시퀀스 Ct 변류기 도넛형
  • 제로 시퀀스 Ct 변류기 도넛형제로 시퀀스 Ct 변류기 도넛형
  • 제로 시퀀스 Ct 변류기 도넛형제로 시퀀스 Ct 변류기 도넛형

제로 시퀀스 Ct 변류기 도넛형

견고한 품질의 제로 시퀀스 ct 변류기 도넛형을 생산하기 위해 Wenzhou XiFa Electric Power Equipment Co., Ltd는 우수한 품질과 경쟁력 있는 가격의 원자재를 채택합니다. 권선 과정에서 Wenzhou XiFa는 각 제로 시퀀스 ct 변류기 도넛 유형의 전기 전도성과 기계적 강도를 보장하기 위해 무산소 구리 에나멜 와이어를 채택합니다. 한편, Wenzhou XiFa는 코어 생산 과정에서 높은 투자율의 실리콘 강판을 사용하여 작은 영상 전류에 대한 민감한 반응에 탁월한 성능을 유지합니다.

제로 시퀀스 전류 변압기는 제로 시퀀스 전류를 모니터링하기 위해 전력 시스템에 사용되는 코어 장치를 통한 단일 회전입니다. 이는 주로 지락 감지, 누설 전류 및 절연 모니터링에 사용되는 보호 계전기 시스템의 중요한 구성 요소 역할을 합니다. 3상 전류의 벡터 합과 그에 따른 제로 시퀀스 전류를 감지함으로써 제로 시퀀스 ct 변류기는 보호 작업을 트리거하고 저전류 접지 선택기, 디지털 고조파 억제 장치 및 계전기 보호 장치와 인터페이스하여 오류 경고를 제공하고 전원을 차단할 수 있습니다.

구조적으로 제로 시퀀스 ct 변류기는 에폭시 수지 또는 실리콘 고무 하우징 내에 캡슐화된 토로이드 코어와 2차 권선으로 구성되어 습기 저항 및 오염 플래시 오버 보호 기능을 제공합니다. 설치 옵션에는 사전 통과된 케이블이 필요한 솔리드와 케이블을 분리하지 않고도 개조할 수 있는 분할 코어 설계가 포함됩니다.

이는 접지 및 비접지 시스템을 포함한 다양한 중성점 구성에 필요한 감도와 선형성을 제공하는 50Hz 전력 시스템과 호환됩니다. 제로 시퀀스 CT 변류기는 스마트 그리드, 철도 운송, 건물 전기 시스템 및 산업 장비 모니터링에 널리 적용되어 안정적인 오류 감지 및 시스템 보호를 제공합니다.

Zero Sequence Ct Current Transformer Donut TypeZero Sequence Ct Current Transformer Donut Type

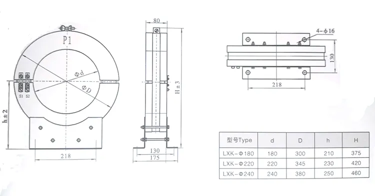
유형 릴레이 유형 연결 방법 척도 값 1차 전류 유형 릴레이 유형 연결 방법 척도 값 1차 전류
LXK-Φ80 LXK-Φ100 LXK-Φ120 LXK-Φ150 DD11/60 시리즈 15*1 2.4-4.5 LXK-Φ180 LXK-Φ220 LXK-Φ240 DD11/60 시리즈 15*1 2.4-4.5
30*1 30*1
평행한 15*2 3-5 평행한 15*2 3-5
30*2 30*2
DD1/60 시리즈 15*1 3-5 DD1/60 시리즈 15*1 3-5
30*1 30*1
평행한 15*2 3-6 평행한 15*2 3-6
30*2 30*2

Zero Sequence Ct Current Transformer Donut Type

제품 FAQ:

Q: 도넛형 제로 시퀀스 ct 변류기란 무엇입니까?

도넛형 제로 시퀀스 CT 변류기는 3상 시스템에서 제로 시퀀스 전류를 감지하도록 설계된 스루 코어 장치입니다. 토로이달 코어를 통해 1차 도체가 중앙을 통과할 수 있어 접지 결함, 누설 전류 및 절연 상태를 비침해적으로 모니터링할 수 있습니다.

Q: 도넛형 제로 시퀀스 ct 변류기 출력 신호는 어떻게 됩니까?

A: 도넛형 제로 시퀀스 ct 변류기는 고정밀 권선 및 로고스키 코일 기술을 사용하여 제로 시퀀스 전류를 비례 전압 또는 2차 전류로 변환합니다. 이 출력은 빠르고 정확한 오류 감지를 위해 릴레이, 미터 및 모니터링 시스템과 호환됩니다.

Q: 도넛형 제로 시퀀스 ct 변류기의 일반적인 응용 분야는 무엇입니까?

A: 도넛형 제로 시퀀스 ct 전류 변압기는 일반적으로 다음 분야에서 사용됩니다.

1. 접지 결함 보호 및 누설 전류 감지;

2. 배전 시스템의 중립점 모니터링;

3. 디지털 보호 계전기, 고조파 억제 장치 및 스마트 그리드 모니터링 시스템과의 통합.

4. 산업 장비, 전기 네트워크 구축 및 철도 운송 시스템.




핫 태그: 영상변류기(Zero Sequence CT Current Transformer), 도넛형 CT, 지락보호용 변압기
문의 보내기
연락처 정보

최대한 빨리 견적을 받으려면

XiFa - 신뢰할 수 있는 전기 장비 공급업체
X
당사는 귀하에게 더 나은 탐색 경험을 제공하고, 사이트 트래픽을 분석하고, 콘텐츠를 개인화하기 위해 쿠키를 사용합니다. 이 사이트를 이용함으로써 귀하는 당사의 쿠키 사용에 동의하게 됩니다. 개인 정보 보호 정책
거부하다 수용하다